أرسل استفسارك الآن
مميزات المنتج:
يضمن هيكل الأسنان المصنوع بدقة التصاقًا محكمًا بين الحزام والبكرة، مما يمنع الانزلاق وسوء المحاذاة بشكل فعال.
إن نسبة النقل الدقيقة تجعلها مناسبة لمعدات النقل خفيفة الوزن التي تتطلب دقة تحديد المواقع العالية.
تتوافق مسافة الأسنان والمواصفات مع المعايير الدولية (MXL، XL، L، H، إلخ)، مما يسمح بسهولة الاستبدال والقدرة على التبديل.
كفاءة النقل تتجاوز 98%، مع الحد الأدنى من فقدان الطاقة.
إن التشغيل السلس والاهتزاز المنخفض والضوضاء المنخفضة أثناء التشغيل يجعلها مثالية للبيئات الحساسة للضوضاء مثل المكاتب ومعالجة الأغذية.
يقلل التصميم منخفض الاحتكاك من تآكل الحزام والبكرة ويطيل عمر الخدمة.
تتوفر مجموعة متنوعة من واجهات التثبيت، بما في ذلك الثقوب القياسية، وفتحات المفاتيح، ومسامير الضبط، وأكمام التمدد.
يتيح التصميم المدمج تسهيل التكامل في أنظمة النقل، مما يوفر مساحة المعدات.
يعد الاستبدال سهلاً دون الحاجة إلى تفكيك المعدات بشكل مكثف.
نقدم حلولاً موثوقة لنقل الطاقة عبر مسارات متعددة (MXL 2.032 مم، XL 5.08 مم، L 9.525 مم)، مصممة لنقل عزم الدوران المتوسط، والنقل الخفيف، والتطبيقات عالية السرعة. يُلبي تصميم MXL المُصمم بدقة متطلبات القيادة عالية السرعة في المعدات المدمجة؛ كما أن تصميم XL متعدد الاستخدامات مناسب لمختلف سيناريوهات السرعة العالية؛ بينما يجمع هيكل سلسلة L المتين بين سلامة هيكلية مُحسّنة وتحمل فائق للسرعة الخطية. تُمثل هذه البكرات الحل الأمثل لخطوط الأتمتة، والآلات المدمجة، وأنظمة مناولة المواد.
بكرة توقيت MXL
| يكتب | مادة | معالجة السطح | ||||
| عرض الحزام: 4.8 مم (3/16 بوصة) | عرض الحزام: 6.4 مم (1/4 بوصة) | عرض الحزام: 9.5 مم (3/8 بوصة) | عرض الحزام: 12.7 مم (1/2 بوصة) | بكرة | شفة | |
| أ: 6 عرض: 10 طول: 16.5 | أ: 7.5 عرض: 11.5 طول: 18 | أ: 11 و: 15 ل: 22 | أ: 14 و: 1 9 ل: 25 | |||
| AW**MXL019 | AW**MXL025 | AW**MXL037 | AW**MXL050 | 6061 | 6061 | الأكسدة الطبيعية | 
| AB**MXL019 | AB**MXL025 | AB**MXL037 | AB**MXL050 | الأكسدة السوداء | ||
| AH**MXL019 | AH**MXL025 | AH**MXL037 | AH**MXL050 | الأكسدة الصلبة | ||
| AN**MXL019 | AN**MXL025 | AN**MXL037 | AN**MXL050 | طلاء النيكل | ||
| - | SF**MXL025 | SF**MXL037 | - | S45C | S45C | طلاء أكسيد أسود | 
| - | SN**MXL025 | SN**MXL037 | - | طلاء النيكل | ||
| - | SU**MXL025 | SU**MXL037 | - | SUS303 | - | |
بكرة توقيت XL
| يكتب | مادة | معالجة السطح | ||||
| عرض الحزام: 6.4 مم (1/4 بوصة) | عرض الحزام: 7.9 مم (5/16 بوصة) | عرض الحزام: 9.5 مم (3/8 بوصة) | عرض الحزام: 12.7 مم (1/2 بوصة) | بكرة | شفة | |
| أ: 7.5 عرض: 12.5 طول: 21 | أ:9 و:14 ل:23 | أ:11 و:16 ل:25 | أ:14 و:19 ل:28 | |||
| AW**XL025 | AW**XL031 | AW**XL037 | AW**XL050 | 6061 | 6061 | الأكسدة الطبيعية | 
| AB**XL025 | AB**XL031 | AB**XL037 | AB**XL050 | الأكسدة السوداء | ||
| AH**XL025 | AH**XL031 | AH**XL037 | AH**XL050 | الأكسدة الصلبة | ||
| AN**XL025 | AN**XL031 | AN**XL037 | AN**XL050 | طلاء النيكل | ||
| SF**XL025 | - | SF**XL037 | SF**XL050 | S45C | مركز أبحاث السرطان | طلاء أكسيد أسود | 
| SN**XL025 | - | SN**XL037 | SN**XL050 | طلاء النيكل | ||
| SU**XL025 | - | SU**XL037 | سو ** XL050 | SUS303 | - | |
بكرة التوقيت L
| يكتب | مادة | معالجة السطح | ||||
| عرض الحزام: 12.7 مم (1/2 بوصة) | عرض الحزام: 19.1 ملم (3/4 بوصة) | عرض الحزام: 25.4 مم (1 بوصة) | عرض الحزام: 38.1 مم (1.5 بوصة) | بكرة | شفة | |
| أ:14 و:19 ل:31(39) | أ:21 و:26 ل:38(46) | أ:27 و:32 ل:44(53) | أ:40 و:45 ل:57 | |||
| AW**L050 | AW**L075 | AW**L100 | AW**L150 | 6061 | 6061 | الأكسدة الطبيعية | 
| AB**L050 | AB**L075 | AB**L100 | AB**L150 | الأكسدة السوداء | ||
| AH**L050 | AH**L075 | AH**L100 | AH**L150 | الأكسدة الصلبة | ||
| AN**L050 | AN**L075 | AN**L100 | AN**L150 | طلاء النيكل | ||
| SF**L050 | SF**L075 | SF**L100 | SF**L150 | S45C | مركز أبحاث السرطان | طلاء أكسيد أسود | 
| SN**L050 | SN**L075 | SN**L100 | SN**L150 | طلاء النيكل | ||
بكرة توقيت H
| يكتب | مادة | معالجة السطح | ||||
| عرض الحزام: 19.1 مم (3/4 بوصة) | عرض الحزام: 25.4 ملم (1 بوصة) | عرض الحزام: 38.1 مم (1.5 بوصة) | عرض الحزام: 50.8 مم (2 بوصة) | بكرة | شفة | |
| أ:21 و:26 ل:41 | أ:27 و:32 ل:47 | أ:40 و:45 ل:60 | أ:54 و:59 ل:74 | |||
| AW**H075 | AW**H100 | AW**H150 | AW**H200 | 6061 | 6061 | الأكسدة الطبيعية | 
| AB**H075 | AB**H100 | AB**H150 | AB**H200 | الأكسدة السوداء | ||
| AH**H075 | AH**H100 | AH**H150 | AH**H200 | الأكسدة الصلبة | ||
| AN**H075 | AN**H100 | AN**H150 | AN**H200 | طلاء النيكل | ||
| SF**H075 | SF**H100 | SF**H150 | SF**H200 | S45C | مركز أبحاث السرطان | طلاء أكسيد أسود | 
| SN**H075 | SN**H100 | SN**H150 | SN**H200 | طلاء النيكل | ||
بكرة توقيت MXL

بكرة توقيت XL

بكرة التوقيت L

بكرة توقيت H

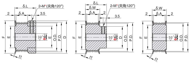
ملف تعريف الأسنان ① ملف تعريف البكرة
النوع K النوع B النوع A
           
الرقم بعد △ : عدد الأسنان: 23 أو أقل
قد تختلف أبعاد الأخدود قليلاً حسب عدد الأسنان. مسافة السن (٢٫٠٣٢ مم)
بالنسبة لمواصفات ثقب العمود H (ثقب دائري)، وV، وF (ثقب متدرج)، وY (ثقب متدرج في كلا الطرفين)، لا توجد ثقوب ملولبة.
لا يجوز معالجة الجزء الداخلي من فتحة العمود.
* بالنسبة للبكرات ذات النوع A وفتحات العمود ذات النوع P أو N، يقع الفتحان الملولبان على مسافة 120 درجة أو 90 درجة تقريبًا من مركز أخدود السن.
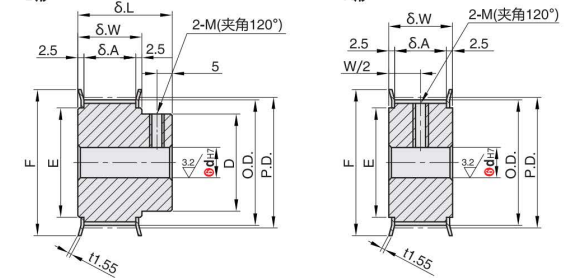
ملف تعريف الأسنان ① ملف تعريف البكرة
النوع ب النوع أ
                            
تختلف أبعاد أخدود الأسنان قليلاً حسب عدد الأسنان. مسافة السن (٥.٠٨ مم)
بالنسبة لمواصفات ثقب العمود H (ثقب دائري)، وV، وF (ثقب متدرج)، وY (ثقب متدرج في كلا الطرفين)، لا توجد ثقوب ملولبة.
لا يجوز معالجة الجزء الداخلي من فتحة العمود.
أبعاد الارتفاع: L50 = 5؛ L075 = 8؛ L100 = 11
* بالنسبة للبكرات ذات النوع A وفتحات العمود ذات النوع P أو N، يقع الفتحان الملولبان على مسافة 120 درجة أو 90 درجة تقريبًا من مركز أخدود السن.
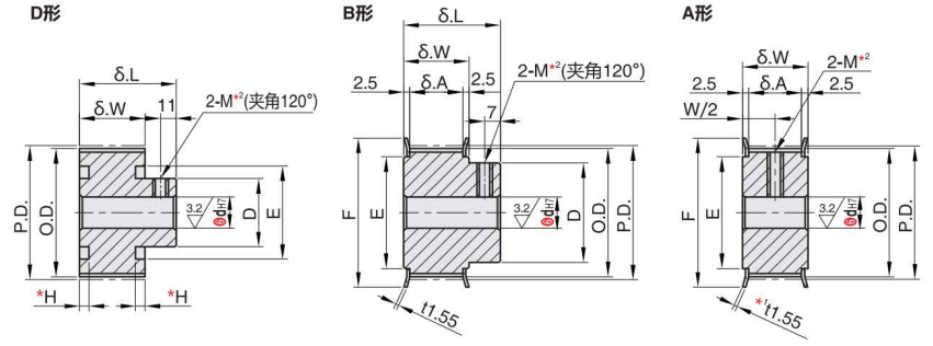
ملف تعريف الأسنان ① ملف تعريف البكرة
         
         
تختلف أبعاد أخدود الأسنان قليلاً حسب عدد الأسنان. مسافة السن (9.525 مم)
بالنسبة لـ 60 أو 72 سنًا، t = 2 (قطع الأضلاع).
بالنسبة لمواصفات ثقب العمود H (ثقب دائري)، وV، وF (ثقب متدرج)، وY (ثقب متدرج في كلا الطرفين)، لا توجد ثقوب ملولبة.
لا يجوز معالجة الجزء الداخلي من فتحة العمود.
أبعاد الارتفاع: L50 = 5؛ L075-8؛ L100 = 11
الأبعاد L (بين قوسين) هي لـ 60 إلى 72 سنًا.
* بالنسبة للبكرات ذات التكوين من النوع A وفتحات العمود من النوع P أو N، يقع الفتحان الملولبان على بعد 120 درجة أو 90 درجة تقريبًا من مركز أخدود السن.
ملف تعريف الأسنان ① ملف تعريف البكرة
                                      
الرقم بعد △: عدد الأسنان: 19 أو أقل.
قد تختلف أبعاد الأخدود قليلاً حسب عدد الأسنان. مسافة الأسنان (١٢.٧ مم).
بالنسبة لـ 38-50 سنًا، t = 2 (قطع الأضلاع).
بالنسبة لمواصفات ثقب العمود H (ثقب دائري)، وV، وF (ثقب متدرج)، وY (ثقب متدرج في كلا الطرفين)، لا توجد ثقوب ملولبة.
لا يجوز معالجة الجزء الداخلي من فتحة العمود.
البعد الارتفاعي: H100 = 11؛ H150 = 14
* بالنسبة للبكرات ذات النوع A وفتحات العمود P أو N، يقع الفتحان الملولبان على بعد 120 درجة أو 90 درجة تقريبًا من مركز الأخدود.