أرسل استفسارك الآن
مميزات المنتج:
مواد عالية القوة: عادةً ما تكون البكرات المتزامنة لنقل الطاقة الثقيلة مصنوعة من مواد عالية القوة ومقاومة للتآكل مثل الفولاذ السبائكي وسبائك الألومنيوم لضمان الاستقرار والمتانة تحت الأحمال العالية والسرعات العالية.
التصنيع الدقيق: تلتزم عملية التصنيع بمعايير الدقة العالية الصارمة، مما يضمن دقة المعلمات الرئيسية مثل ملف تعريف سن البكرة ودرجة ميلها، وبالتالي تحسين دقة النقل والاستقرار.
تصميمات متنوعة: لتلبية احتياجات التطبيقات الصناعية المتنوعة، توفر البكرات المتزامنة لنقل الطاقة الثقيلة مجموعة متنوعة من خيارات التصميم، بما في ذلك ملفات تعريف الأسنان المختلفة، والمسافات، وأقطار البكرات، والعرض.
نقل فعال: تستخدم البكرات المتزامنة نظام نقل مسنن، مما يتيح نقلًا فعالًا ومستقرًا للطاقة عند استخدامها مع سير توقيت. كفاءتها الميكانيكية عالية عادةً، حيث تصل إلى 0.98 أو أعلى.
نسبة نقل دقيقة: نظرًا للعلاقة المترابطة بين حزام التوقيت والبكرة، يمكن للبكرات المتزامنة لنقل الطاقة الثقيلة توفير نسب نقل دقيقة، وهو أمر بالغ الأهمية للتطبيقات التي تتطلب التحكم الدقيق في السرعة وعزم الدوران.
ناقل حركة غير قابل للانزلاق: يتميز نظام نقل الحزام المتزامن بخاصية عدم الانزلاق، مما يعني أنه لن يتم توليد حرارة إضافية أو تآكل أثناء عملية النقل، وبالتالي إطالة عمر خدمة نظام النقل.
بكرات توقيت شبه منحرفة معززة من سلسلة AT: تطور متطور لتقنية سلسلة T، تتميز بهندسة أسنان معززة وتحسينات مادية لتوفير موثوقية مثبتة في ظروف التشغيل القاسية. مصممة خصيصًا لنقل الطاقة الشاقة والتطبيقات الصناعية عالية عزم الدوران.
بكرة توقيت AT5/AT10
| يكتب | مادة | معالجة السطح | |||||
| AT5 | AT10 | بكرة | شفة | ||||
| عرض الحزام: 10 مم | عرض الحزام: 15 مم | عرض الحزام: 15 مم | عرض الحزام: 20 مم | عرض الحزام: 25 مم | |||
| أ: 11.6 عرض: 16.5 طول: 25(27/29) | أ: 16.6 عرض: 21.5 طول: 30(32/34) | أ: 16.5 عرض: 22.5 طول: 38(40) | أ: 21.5 عرض: 27.5 طول: 43(45) | أ: 26.5 عرض: 32.5 طول: 48(50) | |||
| AW**AT5100 | AW**AT5150 | AW**AT10150 | AW**AT10200 | AW**AT10250 | 6061 | 6061 | الأكسدة الطبيعية | 
| AB**AT5100 | AB**AT5150 | AB**AT10150 | AB**AT10200 | AB**AT10250 | الأكسدة السوداء | ||
| AH**AT5100 | AH**AT5150 | AH**AT10150 | AH**AT10200 | AH**AT10250 | الأكسدة الصلبة | ||
| AN**AT5100 | AN**AT5150 | AN**AT10150 | AN**AT10200 | AN**AT10250 | طلاء النيكل | ||
| SF**AT5100 | SF**AT5150 | SF**AT10150 | SF**AT10200 | SF**AT10250 | S45C | مركز أبحاث السرطان | طلاء أكسيد أسود | 
| SN**AT5100 | SN**AT5150 | SN**AT10150 | SN**AT10200 | SN**AT10250 | طلاء النيكل | ||
بكرة توقيت AT5/AT10


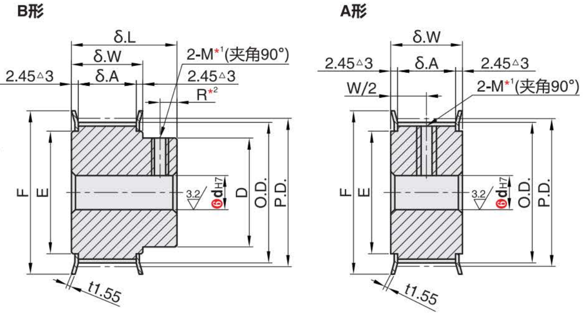
④ ملف تعريف البكرة


تختلف أبعاد أخدود الأسنان قليلاً حسب عدد الأسنان. مسافة أخدود الأسنان AT5 (5 مم)؛ مسافة أخدود الأسنان AT10 (10 مم)؛
يشير الرقم الموجود بعد المثلث في الشكل إلى نوع AT10.
بالنسبة لمواصفات ثقب العمود H (ثقب دائري)، وV، وF (ثقب متدرج)، وY (ثقب متدرج في كلا الطرفين)، لا توجد ثقوب ملولبة.
لا يجوز معالجة الجزء الداخلي من فتحة العمود.
AT5: R=4 (عدد الأسنان 15-16)؛ R=5 (عدد الأسنان 18-28)؛
R=6 (عدد الأسنان 30-60)؛
AT10: R=8 (عدد الأسنان 14-48)
* بالنسبة للبكرات ذات النوع A وفتحات العمود P أو N، يقع الفتحان الملولبان على بعد 120 درجة أو 90 درجة تقريبًا من مركز أخدود السن.